JGYL-JDY85機電液壓伺服測試實驗臺
液壓伺服控制技術是隨著液壓傳動技術發展和自動化應用而發展起來的的新型液壓控制技術。其控制精度和響應的快速性遠遠高于普通的液壓傳動,在現代工業生產中被廣泛采用。在液壓技術實驗教學環節中,伺服閥的靜態、動態性能測試能夠讓學生直觀的了解伺服系統核心元件的性能和主要參數。電液伺服測試試驗臺可以滿足高等院校、職業院校的實驗教學及科研開發要求。并可以根據現場的實際需要經升級后增加新的實驗項目,具有良好的可擴展性。
1、機電液壓伺服測試試驗臺實驗內容:
掌握實驗的基本技能,進一步了解機電一體 化技術及計算機輔助測試即CAT技術的應用,提高學生測試技能和動手能力。了解電液伺服閥的靜態特性和動態特性,并掌握其性能測試的實驗分析方法。了解電液伺服閥控液壓缸系統(開環、閉環)在正弦輸入和階躍輸入時的響應特性,加深對反饋控制的理解。增加了比例溢流閥、比例電磁換向閥,通過專用的比例電路控制比例閥,達到對比例閥的認識及應用。
2、實驗標準:
2.1機械電子工業部1989年發布、實施的JB/JQ20233-88《電液伺服閥試驗方法》;
2.2航空工業部1987年發布的HB5610《電液流量伺服閥通用技術條件》;
2.3國家標準GB/T15623-1995《電液伺服閥試驗方法》。
3、主要技術參數
系統額定工作壓力:10Mpa;單泵6.67L/min—單電機1.5KW (進口件) 共2套;泵源AC 380V;控制電壓:DC24V;組合方式搭接。
3.1能夠完成伺服閥的特性實驗、伺服系統的閉環控制實驗、伺服系統的開環控制實驗(階躍信號響應、正弦信號響應)等實驗項目
3.2采用數據采集系統,可進行實驗數據采集、實驗數據分析處理、激勵信號發生、等功能,要求軟硬件齊全、界面友好。數據采集板卡采用32通道模擬輸入、16通道數字輸入和12路模擬輸出。
3.3靜態流量測量精度<2%,動態流量測量頻帶寬度>100Hz,壓力測量精度<2%,壓力測量頻帶寬度>100Hz。
3.4 工控機配置:(工業控制計算機是整個數據采集與處理系統的核心。為適應高速采集運算、海量存儲的現代計算機發展趨勢,可配置一臺基于PIV架構的計算機:945GZ主板/E2180(酷睿雙核2.0G)1G DDRII533/集成顯卡、網卡、聲卡/160G SATA/防水抗菌鍵盤/光電鼠標/17寸液晶/三年有限保修三年上門/硬盤保護/DOS系統/一鍵恢復;打印機(彩色噴墨,分辨率:5760×1400dpi,打印內存:標配內存:48MB;大內存:256MB,接口類型:USB2.0)、顯示器和PLC控制器(8位數字量輸入,6位數字量輸出,工作電源:24VDC/4.5A
3.5軟件開放良好性好,提供進行二次開發的程序接口。
3.6泵站額定流量:6.67L/min;
4、實驗臺的整體設計
電 液伺服閥的靜態特性包括壓力增益特性、空載流量特性、壓力流量特性、內部泄漏特性等。實驗中應該測量的參數有:控制流量Q 、供油壓力ps、回油壓力pt、控制口壓力pa 、pb 等。電液伺服閥的動態特性通常用它的頻率特性或階躍響應特性來表示。實驗借助無載缸完成電液伺服閥的動態特性的測試。實驗應該測量的參數有無載缸的位移s 等。
本實驗臺由液壓站、電控部分、立式儀表柜以及數據采集工控等四部分組成。電控部分主要是液壓站供電的控制柜,可集成在液壓站前面板上。儀表柜是液壓站工作參數的顯示面板,根據人機工程學原理,儀表柜設計成立式結構,內部安裝高精度儀表及放大器組件,為保證儀表供電穩定,儀表柜中安裝高質量穩壓電源及安全保護電路。工控機是整個系統的控制核心,內部安裝高精度數據采集卡及標準模擬量輸出單元,它可對整個系統實現CAT,并通過I/O電路對液壓系統進行遠端控制。工控機配備液晶顯示單元及激光打印輸出單元,可實現實時數據顯示及數據處理和表格曲線打印輸出。
5液壓系統設計機電液壓伺服測試試驗臺
5.1系統構成:
動靜態特性試驗采用同一試驗臺。在測試靜態特性時,通過安裝在液壓缸油路上的截止閥來阻斷通往液壓缸的油路。動態特性測試時則只打開到液壓油缸的通路。
硬 件配置方面:在電液伺服閥的進油口、兩個負載口安裝三個壓力傳感器,獲得壓力參數并變送輸出。在兩負載口之間設計一整流回路,并安裝渦輪流量計,得到控制油路流量參數。比例節流閥同渦輪流量計串聯,通過改變節流閥節流口的大小,得到不同的負載壓力?;赜吐返牧髁總鞲衅骺蓽y系統的泄漏流量。測試動態特性時, 由于液壓油缸的速度與閥輸出的空載流量成正比,在活塞桿上加裝速度傳感器,測量速度值乘以相關系數即可獲得伺服閥的輸出流量。
5.2原理圖
5.3系統動態缸的定中
由于被試伺服閥具有原始零偏、液壓油缸由于加工和裝配時的公差配合等原因造成油缸兩腔泄漏不一致,活塞與缸筒之間在左右往復運動時摩擦力不對稱等因素,當系統在正弦信號激勵下,活塞在作往復運動時會逐漸偏離其原始中立位置。因此在活塞桿另一端帶一只位移傳感器,其輸出信號反饋到伺服放大器的輸入端來糾正活塞的偏移。
6、數據采集及工控部分設計
CAT實驗臺的特點是全部試驗數據都是由計算機自動采集和處理的。試驗時,信號由相應的傳感器檢測,先送至儀表柜上的二次儀表,二次儀表對傳感器信號進行放大、濾波轉換后,進行數字顯示,并通過相應的接口電路傳輸給工控機,由測試軟件進行數據處理,實現存儲、顯示、報表、打印等功能。同時電磁閥特別是電液伺服閥的動作控制通過計算機用程序來實現。

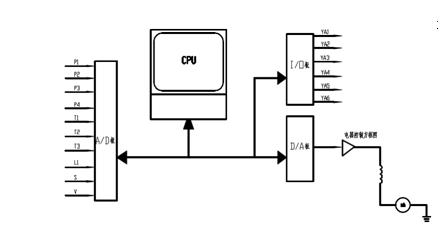
電氣控制方框圖
6.1 傳感器及二次儀表
根據國家標準GB/T15623-1995《電液伺服閥試驗方法》的要求,在電液伺服閥的具體測試試驗項目中,需要測量伺服閥的進出口和兩個控制油口的油液壓力,進出油口的油液溫度以及流量等試驗數據。根據液壓系統的油液壓力和流量條件選擇壓力、溫度、流量傳感器如下。并根據各種傳感器的便送輸出情況選擇二次儀表。并對傳感器和二次儀表的安裝和顯示等條件提出具體要求。
6.2 采集板卡和控制板卡
根據測試系統的系統功能和要求,整個數據采集和處理系統要實現以下功能:
1傳感器和二次儀表的測試數據的輸入
2根據測試試驗項目的不同,控制相關電磁閥的開閉
3程序控制電液伺服閥的動作和開度
傳感器采集的壓力、溫度、流量等測試數據經過二次儀表便送輸出后,通過A/D板接口電路送至工控機,由軟件進行處理。
電磁閥的開閉通過工控機輸出電平信號來控制,經過放大后控制相關電磁閥的動作。
電液伺服閥的動作和開度通過程序手動或者自動實現,將程序輸出的數字量轉變成模擬量,輸出到電液伺服閥的放大線圈控制電液伺服閥的相關動作。
7、測試軟件
為了使軟件界面更加友好、操作更加簡單,我們開發了全中文的基于Window2k和XP操作系統的測試軟件,界面美觀大方,提示信息及其幫助全部為中文,易于掌握,操作使用方便,系統穩定性和容錯性好。為了便于維護和使用,軟件在設計開發時采用了模塊化結構以及分層菜單和容錯技術。為提高數據采集的精度,程序中使用了多媒體定時器,采樣精度達到1ms。同時在軟件的編制中采用了多線程技術,采集、顯示和存儲分線程操作,提高采集和顯示的實時性,同時加速代碼執行速度,節約系統資源。數據庫采用SQLSERVER2000便于數據的保存和查詢。
在主控模塊中,根據試驗項目及其擴展功能來設計菜單,測試軟件的主要菜單內容包括:文件、系統測試、報表管理、技術參數入庫、設置、工具和幫助等。對于每一個測試項目,通過點擊菜單或者界面上的相關按鍵,程序對液壓系統的相關電磁閥和電控系統的加載裝置自動進行相關設置,只需要填寫試驗的編號,手動填寫其他相關參數,即可完成相關的試驗,操作方便,易學易用。用戶也可在界面上手動設置液壓系統和電控系統,進行其他一系列擴展試驗,靈活性高。報表管理給用戶和數據庫之間建立了一個交互的平臺,可以輕松實現試驗數據和相關試驗圖線的查詢和打印。設置菜單為用戶提供了更加人性化的功能,如前端顯示、開機自動運行、顯示每日一貼、小化至任務欄等。工具菜單則可以使用戶在不退出檢測系統的情況下輕松調用計算器、記事本、畫圖板等常用工具。
8、測試方法
8.1靜態特性實驗
8.1.1無載流量特性實驗:
將比例節流閥的開口調節至大,此時可以看作油液無損失通過。輸入整個額定電流范圍電流,顯示試驗曲線,并由計算機進行數據處理及分析,數字顯示出額定流量(正向與反向)、流量增益(正向與反向)、線性度(正向與反向)、不對稱度、滯環。
8.1.2壓力增益實驗:
將比例節流閥的開口關死,實現負載的無窮大??刂齐娏髟谡擃~定電流范圍變化,顯示兩控制油口的壓力變化情況。
8.1.3負載流量特性實驗:
首先調節溢流閥使壓力達到電液伺服閥的額定壓力。信號源產生0. 01Hz 的三角波,幅值由用戶輸入。此信號經過伺服放大器驅動放大后,送入電液伺服閥,計算機發出信號,通過比例放大器驅動放大后,控制比例節流閥的開口,以實現測試系統的外負載。現場的壓力或流量信號由相應的壓力傳感器和流量傳感器獲得,通過信號調理電路后,進行A/ D 轉換,然后輸入計算機。計算機對數據進行處理(傳感器的非線性校正、數字濾波、曲線擬合) 后,輸出實驗曲線。
8.2動態特性實驗
8.2.1 頻率響應實驗(亦即動態特性實驗):調節系統壓力至閥的額定壓力。虛擬儀器的信號源產生5-200Hz 的正弦掃頻信號,此信號經過驅動放大后,送入電液伺服閥,與此同時,伺服閥的輸出流量,通過安裝在液壓油缸上的速度傳感器獲得,經信號調理和A/ D 轉換后,輸入計算機。計算機對電液伺服閥的輸入信號和輸出信號進行快速傅立葉變換,得到其幅值比和相位差,輸出波德圖。
自動掃頻測試后,顯示出被試伺服閥頻率響應波德圖,然后數字顯示幅頻寬(-3db)、相頻寬(-90o)。
8.2.2閥控液壓缸系統階躍響應特性實驗。
只打開接液壓缸的油路閥門,給伺服閥輸入系統在階躍輸入時的響應特性等。
9、測試系統的特點
(1) 系統動靜態性能測試采用同一個實驗臺,通過相應截止閥的開閉,實現動靜態性能試驗的切換
(2)全部實現計算機輔助測試及遠程控制,軟件接口開放,可靈活擴展與升級
(3) 系統加載采用比例節流閥,節省了人力和實驗時間,且實驗結果精確。
(4) 所有實驗所需的輸入信號,均由計算機的虛擬信號源產生,簡化了實驗設備(如超低頻信號發生器、頻響分析儀等) 。
(5) 實驗過程中的壓力、流量、輸入電流等信號,均通過虛擬儀器的軟面板顯示,簡化了實驗儀表(如壓力表、流量表、電流表等) 。
。




